
飞控是什么?
飞控通俗讲就是用来控制飞行器飞行的模块。
在飞行器中飞控的作用是什么?
飞控通过获取位置,速度,姿态等期望数据信息,来实时调整飞行器的位置、速度、姿态。从而实现飞行器稳定飞行。
飞控一般都有哪些对外接口?
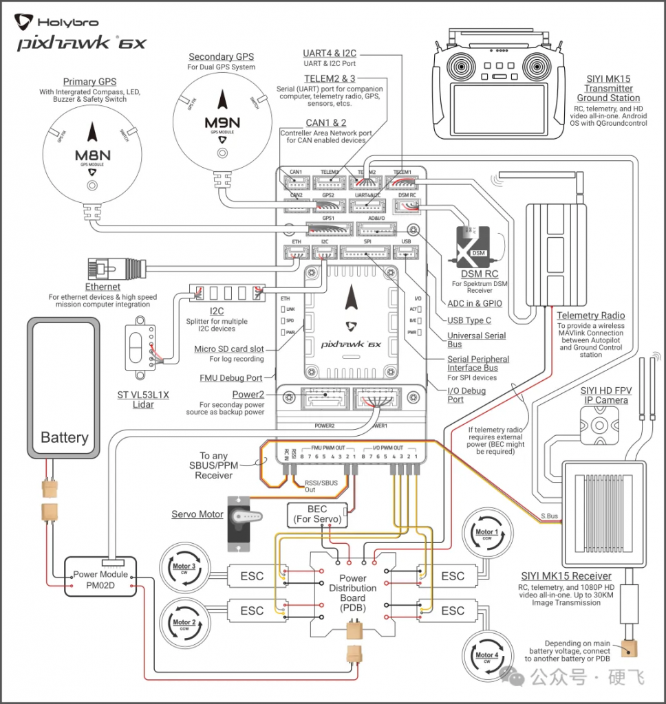
飞控对外的常规接口有:电源、GPS、TELEM1、R/C、PWM、I2C、SPI、CAN等。每个接口具体是干什么呢?
电源接口:给飞控供电(常规5V/2A输入),实际飞控系统的功耗并不高。为什么输入需求要2A呢,因为飞控的大部分接口都对外供电,而且部分接口支持负载1.5A。 GPS接口:接GPS模块,提供位置和速度数据(支持2种规格接口) TELEM接口:使用带硬件流的UART总线,连接机载计算机/图数传进行数据传输。该接口常规有2个以上,还有不带硬件流功能。 R/C接口:接收遥控器信号(支持PPM、S.Bus、DSM),以及RSSI信号质量反馈 PWM接口:一般有8路/16路是电机控制信号线(支持Dshot等多协议) I2C接口:扩展外部航灯或传感器模块 SPI接口:扩展传感器模块 CAN接口:扩展传感器模块或者其他功能 ETH接口:最新飞控测试中的百兆网口通信接口(如PX4平台) USB接口:用于固件更新/直连地面站
国内主流的飞控
厂商:
阿木实验室(AMOV) 合力兄弟(Holybro) 雷迅(CUAV) 赫星(Hex)
开源固件:
PX4 FMT(国产开源固件) ArduPilot(APM) INAV

THE END















![[无人机视频教程]无人机基础入门-飞友工坊-无人机社区](https://uavzg.cn/wp-content/uploads/2025/09/fd3df9ca6c20251013205212.gif)





暂无评论内容